- نیمه هادی
- المان پسیو
- ابزارآلات و تجهیزات
- الکترومکانیکال
- رباتیک
- تغذیه، توان و قدرت
- کانکتور
-
سنسور
-
ماژول و برد توسعه سنسور
- سایر ماژول و برد توسعه سنسور
- ماژول سنسور اثر انگشت
- ماژول سنسور تشخیص حرکت و PIR
- ماژول سنسور جریان
- ماژول سنسور حرکت و موقعیت
- ماژول سنسور دما و رطوبت
- ماژول سنسور فشار
- ماژول سنسور گاز
- ماژول سنسور لمسی
- ماژول سنسور مغناطیسی
- ماژول سنسور نوری
- ماژول فاصله سنج
- ماژول فرستنده و گیرنده مادون قرمز
- ماژول قطب نما و زاویه سنج
- سنسور صوتی و میکروفون
-
ماژول و برد توسعه سنسور
- روشنایی، نمایشگر و LED
-
ماژول و ابزار توسعه
- پروگرامر، دیباگر و شبیه ساز
-
ماژول
- سایر ماژول های کاربردی
- بخار سرد و پیزوالکتریک
- تگ و ماژول RFID
- ماژول LED
- ماژول حافظه
- ماژول درایور و کنترلر موتور
- ماژول دوربین
- ماژول رابط
- ماژول رله
- ماژول شبکه و اترنت
- ماژول فرستنده/گیرنده RF
- ماژول مبدل داده
- ماژول منطقی برنامه پذیر
- ماژول نمایشگر
- ماژول و برد توسعه سنسور
- ماژول و کیت توسعه میکروکنترلر و پردازنده
- سیم و کابل
- تجهیزات نمونه سازی و ساخت
- کیت و منابع آموزشی
- اپتوالکتریک
- تجهیزات حرارتی
- حفاظت از مدار
- اتوماسیون و برق صنعتی و ساختمان
| نام فروشنده داخلی | ۱+ عدد | ۱۰+ عدد | ۲۵+ عدد | ۵۰+ عدد | ۱۰۰+ عدد | ۳۰۰+ عدد | ویژگیها | ||
|---|---|---|---|---|---|---|---|---|---|
| تسنیم | 3 | 7,080,000 | 6,240,000 | 6,240,000 | 6,000,000 | 6,000,000 | 6,000,000 | سلامت ظاهری کالا |
مستندات فنی
| عنوان | مقدار |
|---|---|
| وزن | ۱۲ گرم |
| طول | 57 mm |
| عرض | 33 mm |
توضیحات محصول
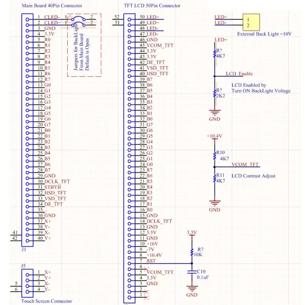
برد تبدیل LCD های 50 پین به مادربردهای 40 پین :
با استفاده از این برد تبدیل، میتوانید نمایشگرهای LCD با کانکتور 50 پین را به مادربردهایی که خروجی 40 پین (مانند Lichee Pi) دارند، متصل کنید. این محصول طراحی و ساخت ایران است و کیفیت ساخت بالایی دارد.
در این بورد، تغذیهی بکلایت به صورت جدا از بورد اصلی در نظر گرفته شده تا کنترل روشنایی LCD به سادگی امکانپذیر باشد.
ولتاژ پیشنهادی برای تغذیه بکلایت بین 9 تا 11 ولت است.
کنتراست نمایشگر بهطور پیشفرض توسط دو مقاومت 4.7kΩ تنظیم شده است، اما در صورت نیاز میتوانید با افزودن پتانسیومتر، آن را بهصورت دستی تنظیم کنید.
اطلاعات دقیق مربوط به پیناوت (Pinout) در تصاویر محصول قرار داده شده است.
اقلام همراه:
کابل FFC 40 پین
کابل تغذیه بکلایت
کابل رابط تاچ

خریداران این کالا
موارد زیر را هم خریدهاند
با ثبت درخواست تا ۲ ساعت کاری آینده با شما تماس گرفته خواهد شد
با دریافت نمونه میتوانید با اطمینان خاطر از کیفیت کالا، سفارش خود را ثبت کنید. درصورت دریافت نمونه، گارانتی "تضمین تطابق با نمونه" برای سفارش شما فعال خواهد شد.
با زدن روی دکمه تایید، سفارش شما ثبت و تا ۱ روز کاری آینده با شما تماس گرفته خواهد





